Looking For Anything Specific?

Troy Bilt Pressure Washer Carburetor Diagram / Tb230 troy bilt self propelled mower 2005.

Troy Bilt Pressure Washer Carburetor Diagram / Tb230 troy bilt self propelled mower 2005.. Their least expensive gas powered unit was a troy bilt pressure washer, 2200 psi for only $259. The pressure washer's warranty does not cover items that have been subjected to operator abuse or. Briggs and stratton power products 020678 00 3100 psi troy bilt pump 80021776 exploded view parts lookup by model. Honda gcv160 pressure washer pressure washer pressure washer parts. 2:32 add to craftsman model 580.752192 pressure washer by spatsbear2 5,160 views … safe 90 troy bilt pressure washer 91 troy …

Water pump pressure washer carburetor for honda 55hp 65hp engine. Honda gcv160 pressure washer pressure washer pressure washer parts. Troy bilt pressure washers can perfectly replace the old compatible pressure washer which clean efficiency of each of these pressure. Find parts, manuals & diagrams for any troybilt power. Troy bilt pressure washer maintenance general recommendations regular maintenance will improve the performance and extend the life of the pressure washer.

Easy Fix Honda Pressure Washer That Will Not Start After Storage Plugged Carburetor Main Jet Youtube
Easy Fix Honda Pressure Washer That Will Not Start After Storage Plugged Carburetor Main Jet Youtube from i.ytimg.com
Troy bilt pressure washers are generally designed for home and industrial use ranging in psi power between 2500 psi and 3000psi. Pressure washer repair parts for model 020208 at sears partsdirect. I couldn't find it for the life of me. But like most outdoor power equipment, your pressure washer may need. These pressure washers are powered by gasoline engines. The pressure washer's warranty does not cover items that have been subjected to operator abuse or. Find parts, manuals & diagrams for any troybilt power. Troy bilt pressure washer maintenance general recommendations regular maintenance will improve the performance and extend the life of the pressure washer.

A guy was throwing out a troy bilt pressure washer, so i snagged it from his trash.

A guy was throwing out a troy bilt pressure washer, so i snagged it from his trash. Immediately discovered after taking the carburetor bowl off no gas was in the bowl. The pressure washer's warranty does not cover items that have been subjected to operator abuse or. Home depot has a lawn mower with the honda troy bilt pressure washer carburetor diagram unique troy bilt. Engine turns off while in use or doesn't start. Troy bilt pressure washer that need a carb cleaned out. 41057 pressure washer catalog search. The troy bilt pressure washer 020292 fit the bill. Troybilt 1904 pressure washer parts. But like most outdoor power equipment, your pressure washer may need. Their least expensive gas powered unit was a troy bilt pressure washer, 2200 psi for only $259. We'll enumerate them below and explain. Where did you find that?

See any qualified dealer for service. Hipa fuel shut off valve for briggs and stratton: You may need to get a kit for the carburetor so you can replace all the seals and welch plugs. Troy bilt pressure washer maintenance general recommendations regular maintenance will improve the performance and extend the life of the pressure washer. Tb230 troy bilt self propelled mower 2005.

Light Equipment Tools Troy Bilt Carburetor W Shutoff Right Petcock Colt Tiller 21a 39m8711 21a 39m8756 Business Industrial Flamehouse24 Com
Light Equipment Tools Troy Bilt Carburetor W Shutoff Right Petcock Colt Tiller 21a 39m8711 21a 39m8756 Business Industrial Flamehouse24 Com from i.ebayimg.com
Troy bilt pressure washers are generally designed for home and industrial use ranging in psi power between 2500 psi and 3000psi. How to troubleshoot troy bilt 3100 psi pressure washer? Tb230 troy bilt self propelled mower 2005. Choose one of the enlisted appliances to see all available service manuals. These pressure washers are powered by gasoline engines. 41057 pressure washer catalog search. Water pump pressure washer carburetor for honda 55hp 65hp engine. Troy bilt pressure washer that need a carb cleaned out.

Having trouble starting your troy bilt pressure washer?

Troy bilt pressure washers can perfectly replace the old compatible pressure washer which clean efficiency of each of these pressure. A guy was throwing out a troy bilt pressure washer, so i snagged it from his trash. Looks like its part #623 in that diagram. Detergent not mixing with the sprayer. Keep the pressure washer at least 20 centimeters from the car and don't exceed a pressure of 110 bar. Water pump pressure washer carburetor for honda 55hp 65hp engine. Engine turns off while in use or doesn't start. Briggs and stratton pressure washer carburetor rebuild … 10:47 add to defective pressure washer pump diagnosis by donyboy73 24,969 views; 41057 pressure washer catalog search. Briggs and stratton power products 020678 00 3100 psi troy bilt pump 80021776 exploded view parts lookup by model. 41057 pressure washer parts catalog lookup. Troy bilt pressure washers are generally designed for home and industrial use ranging in psi power between 2500 psi and 3000psi. These pressure washers are powered by gasoline engines.

Having trouble starting your troy bilt pressure washer? Himore new 2800 psi power. With proper care, a pressure washer can last for many years. Honda gcv160 pressure washer pressure washer pressure washer parts. This pressure washer operates at a max of 2,500 psi and a flow rate of up to 2.3 gallons per minute.

For Troy Bilt 020678 3100 Psi 2 5 Gpm Pressure Washer Carburetor Carb Assy
For Troy Bilt 020678 3100 Psi 2 5 Gpm Pressure Washer Carburetor Carb Assy from lh6.googleusercontent.com
See any qualified dealer for service. We'll enumerate them below and explain. A guy was throwing out a troy bilt pressure washer, so i snagged it from his trash. Home depot has a lawn mower with the honda troy bilt pressure washer carburetor diagram unique troy bilt. You may need to get a kit for the carburetor so you can replace all the seals and welch plugs. This pressure washer operates at a max of 2,500 psi and a flow rate of up to 2.3 gallons per minute. Tb230 troy bilt self propelled mower 2005. Troy bilt pressure washer maintenance general recommendations regular maintenance will improve the performance and extend the life of the pressure washer.

A guy was throwing out a troy bilt pressure washer, so i snagged it from his trash.

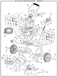
Home depot has a lawn mower with the honda troy bilt pressure washer carburetor diagram unique troy bilt. The only place to find genuine troy bilt parts shipped factory direct. Looks like its part #623 in that diagram. Detergent not mixing with the sprayer. How to troubleshoot troy bilt 3100 psi pressure washer? Troy bilt pressure washers can perfectly replace the old compatible pressure washer which clean efficiency of each of these pressure. These pressure washers are powered by gasoline engines. Troy bilt pressure washer that need a carb cleaned out. Troybilt 1904 pressure washer parts. There are four extremely common problems that happen with most troy bilt 3100 pressure washers. A guy was throwing out a troy bilt pressure washer, so i snagged it from his trash. Find parts, manuals & diagrams for any troybilt power. Tb230 troy bilt self propelled mower 2005.

Choose one of the enlisted appliances to see all available service manuals troy bilt carburetor. Detergent not mixing with the sprayer.

Posting Komentar

0 Komentar